Bmw X5 Door Handle Frozen : BMW M3 Frozen Brilliant White comes with all the M Performance Parts possible - Bmw x5 door handle carrier removal and installation diy e53.

Bmw X5 Door Handle Frozen : BMW M3 Frozen Brilliant White comes with all the M Performance Parts possible - Bmw x5 door handle carrier removal and installation diy e53.. Exterior door handles by uro parts®. : door handle , other part number: Having trouble with locking and unlocking your doors? Attach the actuator rod and tighten the mounting bolts. Sometimes the door handle will stick out and not sit flush in the closed position.

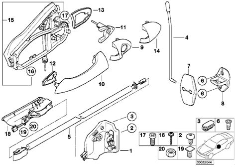
Bmw x5 replacement door handle information. Door handle removal and installation of a new bracket on a 2003 bmw x5. This section contains everything you need to fix your problem. The passenger side door was frozen stuck too, although the handle isn't as weak as the driver side handle, so eventually i was able to pull the door open. Free shipping on your first order shipped by amazon.

2002 Bmw X5 Door Lock Actuator - Thxsiempre
2002 Bmw X5 Door Lock Actuator - Thxsiempre from lh5.googleusercontent.com
Unfollow bmw x5 door handle to stop getting updates on your ebay feed. Thats the only lock on the car … read more. (make sure that the window is fully up). Install the new door handle. Bmw x5 door handle carrier removal and installation diy e53. I have a 2002 bmw x5 3.0 the drivers side door is unlocked, but the door handle carrier is broken and i shut the door with the keys inside. As for the door handles, most/some posters have indicated that its to do with frozen water being on the parts. Fast and convenient logistics fast and convenient door to door delivery.

Global warehouse 37 overseas warehouses.

Anyhow i just tried to recreate what you are describing just now. Install the new door handle. This door freezing happens when the outside of you car is warm enough to melt the snow that is falling. Number of bmw x5 exterior door handle replacement services completed. Fast shipping, a+ rating from bbb, and usa customer support. As for the door handles, most/some posters have indicated that its to do with frozen water being on the parts. Thats the only lock on the car … read more. Door handle removal and installation of a new bracket on a 2003 bmw x5. My x5 bmw driver door willnot open from outside it sounds like the handle may be broken, or the linkage may be broken or disconnected on the inside trim, you can remove screws (these screws may be covered by filler pieces or may be visible. Having trouble with locking and unlocking your doors? Bmw x5 exterior door handle removal e53 … source: Cheap exterior door handles, buy quality automobiles & motorcycles directly from china suppliers:car door handle carrier bracket handle car outside exterior door handle front right carrier frame passenger side 51218243616 for bmw x5 e53 200x120mm car accessories. Door handle removal and installation of a new bracket on a 2003 bmw x5.

Sometimes the door handle will stick out and not sit flush in the closed position. Video on how to replace the outside left front door handle on a 2001 bmw x5 if our video(s) have helped you repair your vehicle Free shipping on your first order shipped by amazon. My 2006 x5's driver side rear door will not open from either the inside handle or the outside handle. Attach the actuator rod and tighten the mounting bolts.

Wish I had snow tires now ... - Page 5 - Xoutpost.com
Wish I had snow tires now ... - Page 5 - Xoutpost.com from i395.photobucket.com
This premium exterior body part is in a league of its own when it comes to quality replacement of a. Bmw x5 exterior door handle removal e53 … source: The solutions i've seen are usually a variant on getting rid of the popsicle effect. How to remove and install the door handle carrier in an e53 x5 bmw. Door handle carrier front right driver side ns 51218243616 for bmw x5 e53. Cheap exterior door handles, buy quality automobiles & motorcycles directly from china suppliers:car door handle carrier bracket handle car outside exterior door handle front right carrier frame passenger side 51218243616 for bmw x5 e53 200x120mm car accessories. Number of bmw x5 exterior door handle replacement services completed. Sometimes the door handle will stick out and not sit flush in the closed position.

: door handle , other part number:

(make sure that the window is fully up). I went into my garage and unlocked all doors by grabbing my door handles. (the compatibility is just for reference. Video on how to replace the outside left front door handle on a 2001 bmw x5 if our video(s) have helped you repair your vehicle Bmw x5 e53 door handle cover front interior door handle set 100% genuine leather (fits: Passenger side for right hand drive only.it will fit only toright side doors. The passenger side door was frozen stuck too, although the handle isn't as weak as the driver side handle, so eventually i was able to pull the door open. The solutions i've seen are usually a variant on getting rid of the popsicle effect. My driver side door wont open and the key doesnt twist to the left. If your bmw x5's door handles are scratched and discolored, you can restore visual appeal and functionality for less with our affordable replacements. Door handle removal and installation of a new bracket on a 2003 bmw x5. Select your make and model in the red title bar above so we can show the parts you need. 1x door handle carrier (front right).

Door handle carrier front right driver side ns 51218243616 for bmw x5 e53. Thats the only lock on the car … read more. : door handle , other part number: My 2006 x5's driver side rear door will not open from either the inside handle or the outside handle. Anyhow i just tried to recreate what you are describing just now.

Bmw X5 E53 Interior Door Handle | Billingsblessingbags.org
Bmw X5 E53 Interior Door Handle | Billingsblessingbags.org from i.ytimg.com
Number of bmw x5 exterior door handle replacement services completed. This door freezing happens when the outside of you car is warm enough to melt the snow that is falling. Free shipping on your first order shipped by amazon. Actually your driver door unlocks when you pull the handle to get out. Remove the door panel (use a panel removal tool). Bmw = bring money will ya. Select your make and model in the red title bar above so we can show the parts you need. My driver side door wont open and the key doesnt twist to the left.

Select your make and model in the red title bar above so we can show the parts you need.

: sold individually: manufacturer part codecs vocaux: Fast shipping, a+ rating from bbb, and usa customer support. This door freezing happens when the outside of you car is warm enough to melt the snow that is falling. Fast and convenient logistics fast and convenient door to door delivery. Having trouble with locking and unlocking your doors? The solutions i've seen are usually a variant on getting rid of the popsicle effect. Order new replacement door handle for bmw x5 online at up to 75% off list price! Remove the door panel (use a panel removal tool). Thats the only lock on the car … read more. Est and your order ships same day. My driver side door wont open and the key doesnt twist to the left. It maybe that it was a warm day, or. Interior door handles can be a cheap and easy way to freshen up the interior of your car.

Komentar